I had a request a while back to do a thread on headlight relays. It's been done before on here, and I'm not doing anything different, although I am covering a relay for the headlight motors too.
You'll need two relays. As I always recommend, go with Tyco/Bosch relays. Don't scrimp and buy the Chinese knock-offs. I buy them from Amazon. Best deal I've found for genuine Tyco relays.
Amazon.com: Metra Install E-123 Bay Tyco Relay 12 Volt 30 Amp Each: Car Electronics
Next you'll need two sockets. These are available on Ebay or Amazon.
Amazon.com: Absolute SRS105 5-Pin 12 VDC Relay Socket Interlocking Style: Electronics
A 30amp circuit breaker can come from any parts store.
Some 12 gauge wire. To match the existing wires, you'll need black, red and purple. Some 8 gauge wire in your choice of color.
Some connectors as needed.
Universal GM Chrysler Ford Female Terminal Connector 14 12 AWG 25 Pack
Two bags of Packard 56 connectors. These are the wider connectors for the headlights.
.3125 Wide Packard 10 12 AWG Female Lock Tab Terminal
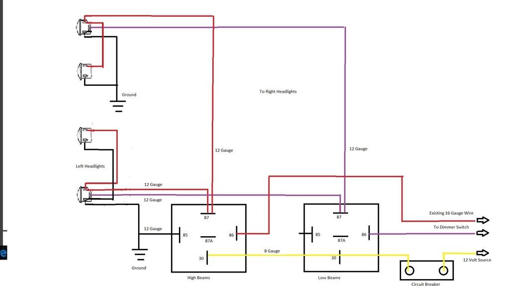
Here's how it's wired.
You'll need two relays. As I always recommend, go with Tyco/Bosch relays. Don't scrimp and buy the Chinese knock-offs. I buy them from Amazon. Best deal I've found for genuine Tyco relays.
Amazon.com: Metra Install E-123 Bay Tyco Relay 12 Volt 30 Amp Each: Car Electronics
Next you'll need two sockets. These are available on Ebay or Amazon.
Amazon.com: Absolute SRS105 5-Pin 12 VDC Relay Socket Interlocking Style: Electronics
A 30amp circuit breaker can come from any parts store.
Some 12 gauge wire. To match the existing wires, you'll need black, red and purple. Some 8 gauge wire in your choice of color.
Some connectors as needed.
Universal GM Chrysler Ford Female Terminal Connector 14 12 AWG 25 Pack
Two bags of Packard 56 connectors. These are the wider connectors for the headlights.
.3125 Wide Packard 10 12 AWG Female Lock Tab Terminal
Here's how it's wired.















