TroyCo
Active Member
By the way, so much knowledge flying around here - I love it!

Some other reading. The "Nacho" bypass explained in depth. Similar to @cbarge 's bypass and (IMHO) better than the MAD bypass. You want to read the entire thread.Trying to decide if I do the MAD conversion, or a hybrid of the two? Thoughts? Opinions?
Some other reading. The "Nacho" bypass explained in depth. Similar to @cbarge 's bypass and (IMHO) better than the MAD bypass. You want to read the entire thread.
Some considerations about the charging and wiring upgrade and your worries about
If you want a functional Amp gauge, but the safety of not going through the bulkhead, then do the bulkhead bypass for the black and red wires.
If you don't care about a functional Amp gauge, do the complete MAD conversion.
@cbarge is the best to advise you here.
Regardless, get rid of high power stuff going through the bulkhead.
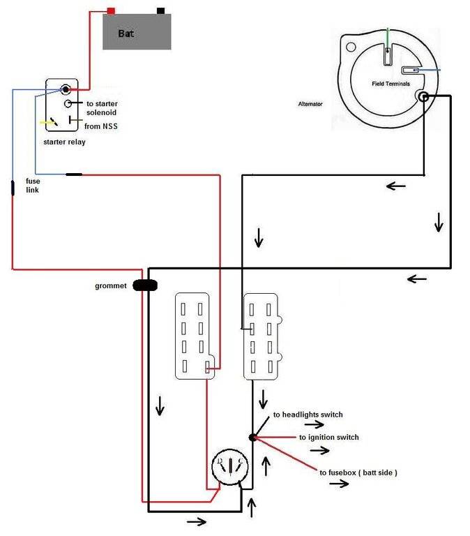
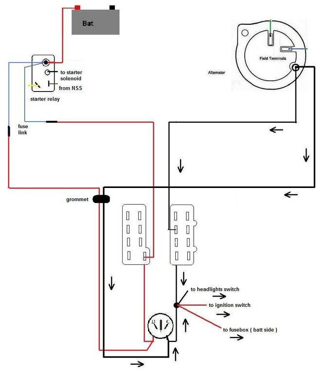
I need to "walk back" my comment about @cbarge 's bypass as the Nacho bypass is different. I think I was going back to a previous method that Nacho was using.Ok. I just want to get this right. I've read @cbarge's thread and it differs from nacho's method, which I believe I've done right. So if I understand nacho's method correctly, I run a 10ga wire from the alternator direct to the neg. terminal on the ammeter, and a 10ga wire with fusible link from the starter relay to the pos. terminal on the ammeter? And also keep the original ammeter wires intact?
This is how I have it set up so far, as per nacho's diagram. The only difference is neither of the old 12ga wires are going through the new bulkhead, but instead an additional grommet other than the single one pictured.
View attachment 464869