ATC workaround

Any pictures?
Internet pic of same HVAC control head as mine.
Pic of my water valve.
HVAC Control.jpg
CIMG3229.JPG
 
Internet pic of same HVAC control head as mine.
Pic of my water valve.View attachment 443702 View attachment 443703

Thanks! That looks identical to the '71's. I once had to rebuild one, and replicate the stacked and notched plates in the box behind the five buttons. I didn't realize the warm slide lever acts as a rheostat. That part worked, I didn't have to look into it.
 
My apologies, The manual vacuum operated systems I'm familiar with, mostly '71's, with the larger, stock vacuum pot, were equipped with a blend door. Cable operated, non A/C systems can be adjusted with small increments of the lever. However also have a blend door.

Your 1970 Chrysler with manual A/C has no blend door/lever?

Nope. Temp is regulated by throttling water flow thru the core. All HVAC air passes thru evaporator and then heater core.

It depends on what car you have according to the "1975 Chrysler Passenger Car Chassis Service Manual". I'm not sure which are which, but my Imperial is Y and uses blend air door.

V and L carlines:
"A blend air door proportions the amount of air through or around the heater core to control the temperature of the outlet air. This door position is controlled by the temperature lever through a flexing cable. The shut off water valve is also controlled by this lever, trough a vacuum switch mounted on the control. When the temperature lever is in the full cool position and the mode on OFF, max A/C, A/C, VENT the coolant flow through the heater core will be shut off."

R W S and X:
"All output air temperatures are controlled by a single slide lever in the instrument panel, which operates the heater water flow control valve. [...] The temperature control lever is connected by a control cable to the water valve. By sliding the lever the water valve is positioned to flow more or less coolant through the heater core."

P D C and Y:
"All output air temperatures, except in Max A/C, are controlled by a single lever in the instrument panel which operates a blend air door in he A/C unit through a control cable. In Max A/C and OFF the vacuum operated water valve is closed"
 
Can you post a picture of the manual controls in your car? Is there a blend door control, and a blend door on the HVAC box?

I also recall there being a member here around three years ago that created a thread on converting ATC to manual, I can't remember what year of car.

I'll get some pictures next time I'm working on it, been a busy week unfortunately so not much time..

74-78 ATC II to Manual A/C Inspection (and conversion??)
Heating, Cooling & AC

Sorry, I'm not so great with computers, it's on page five.

Thanks! I'll look into this thread, could be some valuable info.
 
Took a little longer than I planned to work on this BUT I got it working.

Little disclaimer before I begin, car in question is a '75 Imperial and some PO already made an attempt at converting it to manual controls but poorly so I was a little weary to pull the dashpad and inspect their handywork and it was a mess. Also, this will never be a "show car" so I don't really care about how everything looks so it might not be correct, the best way, or whatever but I just want it to work. All in all I found that to be a lot easier than I expected it to be, but I wasn't exactly starting from scratch. Your opinions and experiences may vary.

First, some info from my FSM which I used to compare the two setups.

Manual AC and heater controls:
upload_2021-7-17_13-11-59.png


upload_2021-7-17_13-12-39.png


upload_2021-7-17_13-13-22.png
upload_2021-7-17_13-14-20.png


ATC II controls:
upload_2021-7-17_13-26-58.png


upload_2021-7-17_13-27-31.png


The elements of both systems are the same, only need to change the way they are operated. Even control assembly is pretty similar, this is the one that was already installed on my car:

upload_2021-7-17_13-41-37.png
 
Inspection resulted in some interesting finds.

With the ATC II system there are four vacuum lines going through the firewall: violet, gray, orange, light green. Both orange and light green weren't connected to anything so basically functioning as a vacuum bleed. Several lines under the dash were also not connected, explains why only the defrost mode worked.

The resistor currently installed is the wrong one, I believe correct p/n for a manual ac and heater box would be 3503779. However, with shipping included, new ones are pretty pricey and since this "works" I'll just keep it.
upload_2021-7-17_13-57-9.png
upload_2021-7-17_13-57-23.png


Someone also really butchered the servo unit. I've read about these being the root cause of a failing ATC system. Not that it matters to me since I won't be using it for anything other than to close off the heater box and a quick check confirmed it was still doing that so I can't be bothered.
upload_2021-7-17_14-3-2.png


Ducttape is never a good sign, but I also don't understand why to block off the main heater output of the box. Looking at the overview of the box it looks like it's missing the heat distribution duct or cover or what it's called.
upload_2021-7-17_14-6-25.png
upload_2021-7-17_14-7-11.png


Inspection over, time to remove all the unnecessary ATC elements
 
First of all, I removed all the vacuum lines under the dash and the light green and orange ones coming from the engine bay. Only the violet and gray one through the firewall remain.

Then I removed, from left to right: vent control relay, vacuum transfer switch, amplifier, wiring harness. Their locations are given in earlier diagrams.
upload_2021-7-17_14-37-2.png


In my case the remainder of the ATC wiring harness could be removed by unhooking two connectors from the main dash wiring harness. Only line I had to cut was to the ambient temperature sensor which is mounted on the passenger side firewall above the heater box. It appeared both bolted and glued so I left it be.
upload_2021-7-17_14-46-55.png


Aspirator and in car temperature sensor
upload_2021-7-17_14-38-9.png


Aspirator uses an air scoop from within the housing which is located right of the AC outlet door. Removed and blocked off with a piece of sheet metal.
upload_2021-7-17_14-43-27.png


Other things I left in place were the diode (right rear of housing) and master and compressor vacuum switches (right top of housing)
upload_2021-7-17_14-49-47.png
 
Vacuum line routing time.

upload_2021-7-17_14-52-55.png


Took some figuring out but the above layout does NOT represent the location of the vacuum actuators where they are mounted on the box. Did some further checks and I found that all three of my vacuum pots were still in good working order, all held vacuum and mode doors moved freely (LUCKY!) so only needed to hook them up. Thankfully the ATC system uses pretty much the same color coded vacuum lines so I was able to match almost all of them except for the brown AC line, had to use violet for that one.

All comes together in this connector:
upload_2021-7-17_15-0-50.png
upload_2021-7-17_14-59-42.png


Something to consider, be VERY careful removing the old lines from this connector. The connector itself looks to be some sort of silicon so it'll be okay but the lines are plastic and WILL break if not handled carefully and then you will have a REALLY HARD TIME removing the little bits from within. Ask me how I know... Anyway, I wrapped the ends in some electrical tape to help seat them better otherwise they can slip out. Didn't want to glue them in since then you only get one chance.

Using some spare vacuum lines I was able to check my vacuum control panels and confirm that it was in good working order. Also, with the multimeter checked the electrical switches and they were good. Two single pins in the middle are the compressor feed, group of three besides that is the blower motor feed, and the most right are the blower motor switch.
upload_2021-7-17_15-8-4.png


Only thing left was the temperature lever cable. Since ATC also uses blend air door for temperature you can simply hook up the cable to that part of the servo and it'll work in the same way. In an ideal world I would've made a bracket or something but I couldn't get good access and I didn't want to remove the box completely so I copied the work of the PO and ziptied in the cable... Thinking of a better way but will leave it for now. It ain't pretty but it'll work and that's what I was after.
upload_2021-7-17_15-18-15.png
 
Electrical wiring up next.

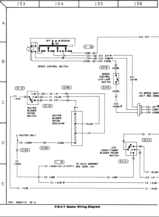
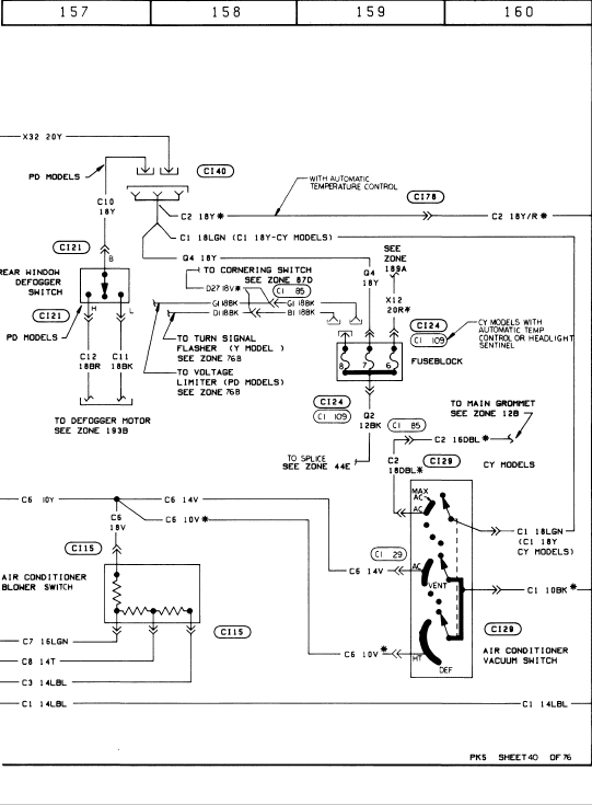
FSM wiring diagrams are the best.
upload_2021-7-17_15-21-34.png
upload_2021-7-17_15-22-1.png


PO already wired in the resistor and the blower motor switch, I only needed to connect it back up to the blower motor. Again, with the multimeter checking for continuity showed the blower motor feed wire was the dark green one in the big black connector shown in post #29. Hooked that up to the output side of resistor.

Available connectors on the control panel side. The two brown connectors are for the compressor in the ATC setup. The blue wire in the left of those connectors is the connected to the connector (through low pressure lockout). The right of those two connectors is no longer hooked up to anything so useless. Still need a power source for the AC compressor.
upload_2021-7-17_15-28-37.png


According to wiring diagram above, in a manual setup the power feed for the AC compressor comes off of the yellow accessory feed candelabra and is fused off on number 7 fuse. PO used this feed for the modern radio that was installed. I didn't want to splice anything in but also didn't have that style of connector. However, this left the original radio feed (X12 20R*), fused off on number 6 fuse, unused so I simply used that connector for the power feed.
 
Last edited:
Pretty much everything hooked up by now.

Only thing remaining was the heater hose shutoff valve, ended up going with the one mentioned at the beginning of this thread.
upload_2021-7-17_15-43-50.png


Pretty decent valve, metal construction mostly with exception of one of the heater hose connectors. Would have been nice if it connected the other way around but this'll work too. Currently held in place by the jubilee clips but that's fine by me. Moved the routing for the blower motor wires since it had a connector right about where the valve sits now and didn't want a possible leak to cause any problems.
 
Some extra pics of how it is hooked up

Vacuum reservoir, violet line goes to interior and black line is vacuum feed from the intake manifold.
upload_2021-7-17_15-58-27.png


Fresh air/circulate vacuum pot, the amplifier was mounted on the three holes on the box.
upload_2021-7-17_15-59-51.png


AC/heater door control
upload_2021-7-17_16-1-11.png
 
With my ignition problems sorted I was able to test it AND IT WORKS.

I can clearly see the mode buttons all move the right mode doors and direct the air according to the FSM diagram. Don't know how good the temperature lever will actually control temperature but I can only test that in a later stage. Right now I'm just really happy with this outcome. What's also nice is that the system now actually holds a vacuum properly, with the engine switched off there is enough vacuum in the reservoir to switch modes a couple of times.

Somewhere down the line the next step would be to somehow get the AC charged and it could potentially blow cold air again.

Hope this can help anyone trying to do the same.
 
Some extra pics of how it is hooked up

Vacuum reservoir, violet line goes to interior and black line is vacuum feed from the intake manifold.
View attachment 475632

Fresh air/circulate vacuum pot, the amplifier was mounted on the three holes on the box.
View attachment 475633

AC/heater door control
View attachment 475634
You Sir! are an animal. lol Thanks so much for the Play by Play. I know its been done and posted before, But always nice to see multiple angles and perspectives of ones ATCII journey.. I own a 77 NYB with it and will someday dive into it. Yours and the others thread will certainly help.

Thanks again.
 
Okay small update, car is finally back together again.

Started the car and let it idle to get her up to temperature so I could get my final test run in. Had to try heat cause the AC isn't charged. So I set the control lever to "warm" and pushed the "heat" mode button. Air was directed to the floor but it was cold. Checked the heater hoses under the hood and one of them was in fact warm and the other colder. Then I moved the lever to "cool" and the air got hot.

So here's the thing, I used the servo arm to hook up the temperature control cable BUT if you look at this picture from my FSM it'll be clear what happened.
upload_2021-7-21_14-48-51.png


The servo arm is connected to the blend air door shaft with two links, one large one small. With the MANUAL ac/heater box the small link is actually mounted 180 degrees OPPOSITE of the way shown here and the control cable is attached directly to that. That means that when the servo arm pushes on the link would be the same as pulling on the link with a manual control cable.

It's not really possible to attach the cable from the opposite side of the servo arm. You could probably remove the existing blend air door links and flip it over so it'll be right OR do as I did and just remember that the display is backwards and move the lever to "cool" when you want the heat to come on. :p Maybe next time I have the dashpad off I'll try and move it around but I don't think that'll be anytime soon.

Something to consider.
 
If you were to rethink this from Day 1, would you have started out swapping in a manual HVAC box and controls?

I bought a complete manual setup and laid it out on the bench. Was a no brainerin my mind.

Had the whole setup ready to go if/when the ATC II **** the bed. Fortunately, it never did. The whole setup was left in the good hands of @cantflip knowing they would sit there for posterity :lol:
 
Back
Top