ATC workaround

Honestly, no, I don't think I would swap the box.

That's not just cause I'm in the Netherlands and parts are scarce and costly although it is a factor. Mostly it's because the boxes themselves are identical as far as I can tell, with the exception of the holes for the servo unit and the diode of course. Other than that they're the same, same mode doors, same actuators, same ducts, etc. So there is really no need to swap the housing IMO. All you'd need is the manual control panel and cable to make it work.

BUT since n=1 you'd have to check your own FSM to make sure they are the same.
 
Revisit!

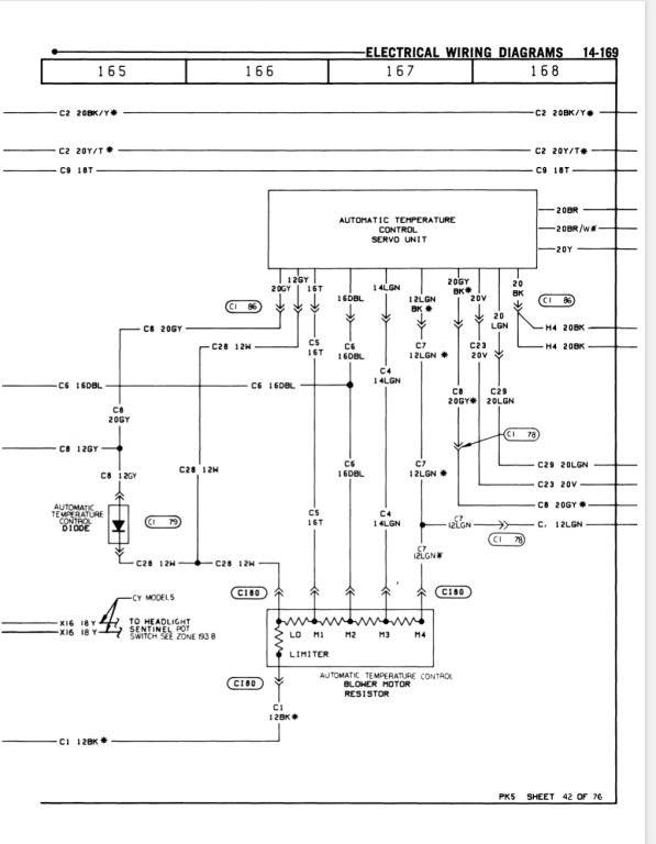
I was having some issues with my blower motor speeds and I had my dash out for upgrading to LEDs inside and out so this seemed like a perfect time to deal with it.

Luckily @wypowerwagon440 kindly provided me with the correct manual blower motor resistor block (p/n 3503779). Was able to successfully rewire my fan speed switch after some wiring diagram detective work. Don't know where, it was probably from Ross or Big John, but somewhere on this forum I learned about reusing factory connectors. Valuable skill to have! Was able to repurpose some of the old ATC connectors that way.

I now finally have full correct manual controls; four speed settings from the fan speed lever and the "off" mode button actually turns off the fan.

20230312_161817.jpg


Edit: removed the gray wire from the white 10 pin connector and plugged it in the empty socket of the black connector. That gray wire comes from the control panel and provides the low-low fan speed. The dark green in the black connector goes to the blower motor.
 
Last edited:
Revisit!

I was having some issues with my blower motor speeds and I had my dash out for upgrading to LEDs inside and out so this seemed like a perfect time to deal with it.

Luckily @wypowerwagon440 kindly provided me with the correct manual blower motor resistor block (p/n 3503779). Was able to successfully rewire my fan speed switch after some wiring diagram detective work. Don't know where, it was probably from Ross or Big John, but somewhere on this forum I learned about reusing factory connectors. Valuable skill to have! Was able to repurpose some of the old ATC connectors that way.

I now finally have full correct manual controls; four speed settings from the fan speed lever and the "off" mode button actually turns off the fan.

View attachment 586535

Edit: removed the gray wire from the white 10 pin connector and plugged it in the empty socket of the black connector. That gray wire comes from the control panel and provides the low-low fan speed. The dark green in the black connector goes to the blower motor.
Amazing. You have earned my highest respect for jumping over the edge into the ATC abyss.
Seriously.
 
Don’t want to hijack this interesting thread but seeing as how @commando1 and @thethee seem to have the ATCII all figured out I need some help with the following

@Lftovrs 77 NYB
I was over at Larry’s today installing his new Eddy AVS2 on his minty NYB and he told me that his ATCII was inoperable (big surprise) but before I condemned the whole system I took a closer look. Here is what I found

For starters it has no Freon
No blower operation on any setting
Fuse ok as rear heated backlite and power trunk are operating
When any mode selected AC clutch engages but no blower operation of any kind
Jumoed the blower motor and it spins freely and strong (Thank god as you have to disassemble half the front end to get to it)

My question is thus: based on troubleshooting in the FSM likley reasons are
blower motor resistor
Control switch
Control unit
Vacuum leak

When you turn the car off i can hear a slight movement of air from the control unit

The heater assembly looks like a monster to get to for testing the resistor so please rain your golden advice down on me on where to start and how to get to the resistor to bypass and see if its the issue

First thing first Larry will recharge the system of course
 
Don’t want to hijack this interesting thread but seeing as how @commando1 and @thethee seem to have the ATCII all figured out I need some help with the following

@Lftovrs 77 NYB
I was over at Larry’s today installing his new Eddy AVS2 on his minty NYB and he told me that his ATCII was inoperable (big surprise) but before I condemned the whole system I took a closer look. Here is what I found

For starters it has no Freon
No blower operation on any setting
Fuse ok as rear heated backlite and power trunk are operating
When any mode selected AC clutch engages but no blower operation of any kind
Jumoed the blower motor and it spins freely and strong (Thank god as you have to disassemble half the front end to get to it)

My question is thus: based on troubleshooting in the FSM likley reasons are
blower motor resistor
Control switch
Control unit
Vacuum leak

When you turn the car off i can hear a slight movement of air from the control unit

The heater assembly looks like a monster to get to for testing the resistor so please rain your golden advice down on me on where to start and how to get to the resistor to bypass and see if its the issue

First thing first Larry will recharge the system of course
The fan is triggered by vacuum switches. Sometimes people get the vacuum lines backwards on the coffee can under the hood which will cut off all vacuum and kill the system as it's a one way valve. (purple plastic line and black rubber) Maybe give that a quick check to see if it helps...
 
Don’t want to hijack this interesting thread but seeing as how @commando1 and @thethee seem to have the ATCII all figured out I need some help with the following

@Lftovrs 77 NYB
I was over at Larry’s today installing his new Eddy AVS2 on his minty NYB and he told me that his ATCII was inoperable (big surprise) but before I condemned the whole system I took a closer look. Here is what I found

For starters it has no Freon
No blower operation on any setting
Fuse ok as rear heated backlite and power trunk are operating
When any mode selected AC clutch engages but no blower operation of any kind
Jumoed the blower motor and it spins freely and strong (Thank god as you have to disassemble half the front end to get to it)

My question is thus: based on troubleshooting in the FSM likley reasons are
blower motor resistor
Control switch
Control unit
Vacuum leak

When you turn the car off i can hear a slight movement of air from the control unit

The heater assembly looks like a monster to get to for testing the resistor so please rain your golden advice down on me on where to start and how to get to the resistor to bypass and see if its the issue

First thing first Larry will recharge the system of course
First things first, recharging the system isn't required and I would personally hold off on that as long as I could.

I would start by jumping the automatic temperature control relay. It's located on the relay bank to the left of the steering column. Jump the yellow and dark green wires together and report back what happens. This should turn the blower on high speed. This relay is fed by #10 fuse and that should always be hot as it's fldirect from the battery.

To get to the relay bank you'll have to remove the lower dash cover panel. Otherwise you will never reach it.
 
First things first, recharging the system isn't required and I would personally hold off on that as long as I could.

I would start by jumping the automatic temperature control relay. It's located on the relay bank to the left of the steering column. Jump the yellow and dark green wires together and report back what happens. This should turn the blower on high speed. This relay is fed by #10 fuse and that should always be hot as it's fldirect from the battery.

To get to the relay bank you'll have to remove the lower dash cover panel. Otherwise you will never reach it.
So took a look at the relay bank today but didn’t see the same colour wires you mentioned. This is what I saw;

IMG_9451.jpeg
IMG_9456.jpeg
IMG_9456.jpeg
IMG_9453.jpeg


IMG_9452.jpeg


IMG_9455.jpeg


IMG_9454.jpeg
 
So took a look at the relay bank today but didn’t see the same colour wires you mentioned. This is what I saw;

View attachment 600052View attachment 600054View attachment 600054View attachment 600053

View attachment 600051

View attachment 600055

View attachment 600056
I'm like 90 percent sure that the one you've pictured is the power window safety relay and that the high blower relay slot is empty (the five connector slots over on the right). If that is the case I'm guessing it's got to do with why the system is inoperable.

Has Larry's blower ever worked that you know of?

I'd suggest to pull the relay bank off of its mounting tab to inspect the other side
 
Last edited:
It should slide right off if you push it towards the engine, no mounting bolts or anything like that.
Well that makes perfect sense. The blower has been inoperative since Larry bought it. The PO didn’t know what was wrong. I will pull the relay bank and check the other side. You would think there would be a loose plug in the area if the relay was missing
 
Well that makes perfect sense. The blower has been inoperative since Larry bought it. The PO didn’t know what was wrong. I will pull the relay bank and check the other side. You would think there would be a loose plug in the area if the relay was missing
Power for the blower motor is fed through this relay for ALL fan settings so if it's missing you've found the issue.

You won't find loose plugs in this case as the relay plugs into the relay bank. So basically the relay bank is the "plug". You should hopefully find some loose wires.

If you don't find any trace the wiring from the fuse block. The relay should be fed directly from fuse 10. If you open up the loom you should find the missing wires or at least one of them.

REMOVE #10 FUSE before anything else! It is fed directly from the battery and looking for loose wires you might get a big short somewhere.
 
Do you have a picture of what the relay is supposed to look like or a part # so that I can begin hunting for one?
 
I'll take a look next time I'm there. I'd be happy to send you mine as I bypassed it with switching from atc to manual controls but I think trans atlantic shipping would be costly.
 
@Dobalovr I was able to wiggle the relay free from under the dash, here is what you'll need:

20230612_221506.jpg


The part number reads 3764581 but a quick check with my multimeter showed mine is fried. However, a google search revealed an older thread by tallzag and if you're lucky he'll still have one:

Giant NOS Parts Stash Found in North Dakota

Otherwise there's also one on ebay for just 25 dollars:

MOPAR NOS A/C blower motor relay 3780596 1974-76 Chrysler Plymouth Dodge 3764581 | eBay

Found any loose wires under that dash?
 
@Dobalovr I was able to wiggle the relay free from under the dash, here is what you'll need:

View attachment 601459

The part number reads 3764581 but a quick check with my multimeter showed mine is fried. However, a google search revealed an older thread by tallzag and if you're lucky he'll still have one:

Giant NOS Parts Stash Found in North Dakota

Otherwise there's also one on ebay for just 25 dollars:

MOPAR NOS A/C blower motor relay 3780596 1974-76 Chrysler Plymouth Dodge 3764581 | eBay

Found any loose wires under that dash?
I couldn't resist opening it up, and, well, I can fix that:

20230612_222647.jpg
 
Back
Top